Dielectric Constant Of Solid
Dielectric Constant Of Solid Assignment Help | Dielectric Constant Of Solid Homework Help
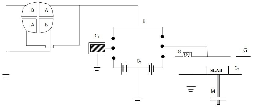
Dielectric Constant of a Solid – Hopkinson’s Null Method
This method is applicable to solids available in the form of a slab. The needle of quadrant electrometer is given a constant potential V using a battery. C1 is a variable capacitor. C2 is a guard ring capacitor in which the lower earthed plate is movable. The distance through which the lower plate of C2 is moved can be measured using a micrometer screw M. The mid-point of the battery B1 is earthed so using a micrometer screw M. The mid-point of the battery B1 is earthed so that its end points are kept at potential difference +V and –V with respect to the earth. Using this arrangement the capacitors C1 and C2 can be charged to equal and opposite potentials by pressing the key K. On releasing the key, the capacitors charge the quadrant electrometer. If their capacitances are also made equal by suitably varying C1, their charges will become equal and the electrometer will show zero deflection. So the method is called a null method.Working. The capacitance of the variable capacitor C1 is adjusted till on pressing and releasing the key, there is no deflection in the quadrant electrometer. Now the position of the lower plate of C2 is read on the micrometer scale. The dielectric slab of thickness t and dielectric constant (relatives permittivity) εr is introduced between the plates of C2. As a result the capacitance of C2 increases. The lower plate of C2 is moved till the electrometer shows null deflection. Now the capacitance of C2 is moved till the electrometer shows null deflection. Now the capacitance of C2 is equal to that of C1. The distance x through which the lower plate of C2 has been moved is measured using the micrometer screw. Let A be the effective area of guarding capacitor plates and d the distance between them.
Then, capacitance of C2 without the dielectric = ε0A/d
Capacitance of C2 with the dielectric = ε0A/ (d + x – t + t/εr)
But the capacitance in the two cases in the same.
Hence , ε0A/d = ε0A/ (d + x – t + t/εr)
i.e., d = d + x – t + t/ εr
. : εr = t/(t – x)

For more help in Dielectric Constant of a Solid – Hopkinson’s Null Method please click the button below to submit your homework assignment.